Randsprosse 10 mm VSG - Unterteil inkl. Oberteil, Lippendichtungen und VA-Schraube




22,90 €/lfdm
Bitte wählen Sie:
| Befestigung auf : | |
| Länge [cm] : | |
| Breite [cm] : | |
| Zuschnittlänge : [cm] | |
| Menge: | |
*Zuschnitt ohne Mehrkosten
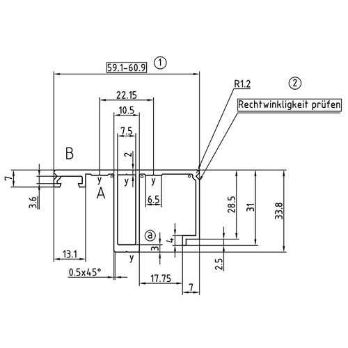
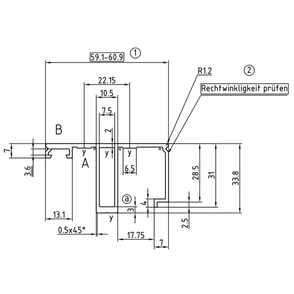
Randsprosse - Unterteil inkl. Oberteil, Lippendichtungen und VA-Schrauben für 10 mm VSG Glas
Bei diesem Verlegeprofil für 10 mm starkes Verbundsicherheitsglas (VSG) handelt es sich um das Aluminium-Aluminium Randprofil, in 60 mm Breite, zur seitlichen Befestigung.
Diese Variante eignet sich vor allem, wenn die Sparren Quer zum Gefälle und somit nicht parallel zu den Verbindungsprofilen verlaufen, wenn die Sparren der Unterkonstruktion nicht die mindestbreite von 60 mm erfüllen oder die Auflagefläche nicht grade ist, wie z.B. bei nicht verwindungsfreiem Holz. Es kommt also vor allem dann zum Einsatz, wenn extra Stabilität benötigt wird.
Sollten die Sparren quer zum Gefälle verlaufen sollte der Abstand der Sparren auf die örtlichen statischen Anforderungen angepasst werden.
Zum Lieferumfang gehört die Randsprosse (bestehend aus Ober-und Unterteil), die Lippendichtung und ausreichend VA-Schrauben (Bohrabstand etwa 30 cm) zur Befestigung des Unterprofils wahlweise auf Metall oder Holz.
| Breite: | 60 mm |
| Höhe: | 39 mm |
| Stärke: | 1,8 mm |
| Gewicht: | 1305 g/lfdm |
| Material: | Aluminium |
Materialinfo
Unsere Verlegeprofile bestehen aus Stranggepresstem Aluminium.
Aber wodurch zeichnet sich Aluminium aus? Vor allem durch seine Vielseitigkeit und Robustheit. Denn Aluminium ist leicht und besitzt trotzdem eine hohe Festigkeit, es ist Korrosionsbeständig, resistent gegen Verwitterung und UV Strahlung und zudem leicht zu verarbeiten und zu pflegen.
Durch die Herstellung im Strangpressverfahren lässt sich Aluminium in allen möglichen Formen pressen und bietet somit ein passendes Profil für jeden Bereich.
Verarbeitung
Aluminium kann mit einem Metallbohrer einfach gebohrt werden. Dazu wird am besten mit einem kleineren Bohrer vorgebohrt, um das „Weglaufen“ des Bohrers zu verhindern. Unsere Verbindungsprofile sind mit einer mittig verlaufenden Bohrnut versehen, welche das vorbohren an der richtigen Stelle vereinfacht.
Sägen lässt sich Aluminium am besten mit einer Kappsäge mit geeignetem Alu-Sägeblatt.
Mit dem richtigen Sägeblatt kann Aluminium auch mit einer Stichsäge bearbeitet werden. Dabei ist darauf zu achten, dass mit geringer Geschwindigkeit und ausgeschaltetem Pendelhub gesägt wird.
Dokumente
Lieferzeiten
LagerwareAbholung innerhalb 1-2 Werktagen
Lieferung Umkreis 50 km innerhalb 5-8 Werktage
Lieferung NRW innerhalb 10-20 Werktagen
Lieferung Rest DE innerhalb 10-25 Werktagen