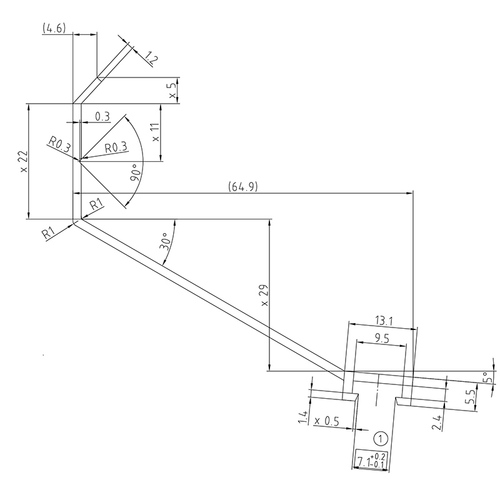
Wandanschluss inkl. Dichtung
Der Wandanschluss (10) dient als Regen und Windschutz, da die Stegplatten nicht direkt an der Wand montiert werden. Das Wandanschlussprofil wird an der Hauswand montiert, während die Dichtung auf die Stegplatten drückt. Im Lieferumfang enthalten sind das Profil und die Dichtung.
Das Wandanschlussprofil ist in einer Länge bis zu 7 Metern erhältlich. Lagermäßig führen wir das Profil nur in Alu-Blank. Auf Wunsch können wir es aber auch in den Farben Braun, Silber, Weiß und Anthrazit bestellen.
| Breite: | 63 mm |
| Höhe: | 65 mm |
| Stärke: | 1,6 mm |
| Gewicht: | 490 g/lfd |
| Material: | Aluminium |
Materialinfo
Unsere Verlegeprofile bestehen aus Stranggepresstem Aluminium.
Aber wodurch zeichnet sich Aluminium aus? Vor allem durch seine Vielseitigkeit und Robustheit. Denn Aluminium ist leicht und besitzt trotzdem eine hohe Festigkeit, es ist Korrosionsbeständig, resistent gegen Verwitterung und UV Strahlung und zudem leicht zu verarbeiten und zu pflegen.
Durch die Herstellung im Strangpressverfahren lässt sich Aluminium in allen möglichen Formen pressen und bietet somit ein passendes Profil für jeden Bereich.
Verarbeitung
Aluminium kann mit einem Metallbohrer einfach gebohrt werden. Dazu wird am besten mit einem kleineren Bohrer vorgebohrt, um das „Weglaufen“ des Bohrers zu verhindern. Unsere Verbindungsprofile sind mit einer mittig verlaufenden Bohrnut versehen, welche das vorbohren an der richtigen Stelle vereinfacht.
Sägen lässt sich Aluminium am besten mit einer Kappsäge mit geeignetem Alu-Sägeblatt.
Mit dem richtigen Sägeblatt kann Aluminium auch mit einer Stichsäge bearbeitet werden. Dabei ist darauf zu achten, dass mit geringer Geschwindigkeit und ausgeschaltetem Pendelhub gesägt wird.


